Bon .. c'était étrange, et je me rends compte de mon erreur,
en faisant ses essais à 14000Hz, on est proche de la fin de la bande passante audio, et il y a un phénomène de repliement, qui rend fausse la transformée de fourrier ... on oublie, j'ai écrit des conneries, si je fait mon essai à 8000Hz j'ai pu du tout le même résultat !
Bande passante d'enceintes
- Alexis
- L'équipe SDO

- Messages : 3118
- Inscription : 08 janv. 2006, 02:49
- Localisation : Corcoué sur logne
- Pièces jointes
-
- source8k-carre.PNG
- (52.29 Kio) Téléchargé 46 fois
__________TO9, GBF, Platine Teppaz, HR624, HD25, Live 8, SoundForge9, micros, oreilles, bouche, bouchons d'oreille, femme, fille, extincteur...
Tiens, c'est marrant, vous arrivez à lire aussi petit que ça ? Ouai... tricheur, c'est le zoom, la loupe, le copier-coller, ou le grand écran je sais pas...
Tiens, c'est marrant, vous arrivez à lire aussi petit que ça ? Ouai... tricheur, c'est le zoom, la loupe, le copier-coller, ou le grand écran je sais pas...
-
Invité
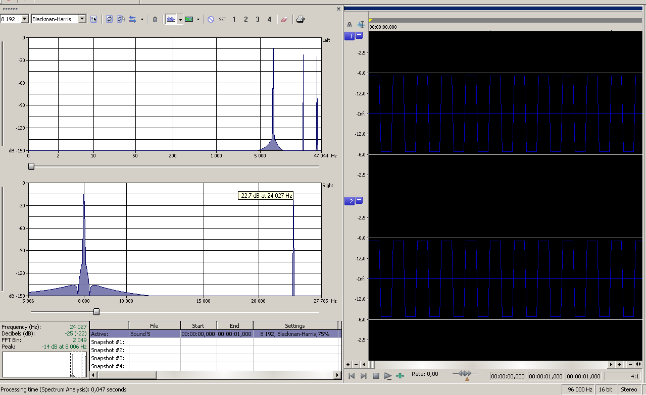
Donc carré=harmo impair, non?
Je vois que 8Khz donne 24Khz... Et en dent de scie moi je voulais dire en triangle je crois...
Bref, je suis pas fou pour cette étude
Par contre je suis tjrs dans le doute, je trouve pas de lien... C'est un truc qui me date de la SAE, pas si vieux donc, 10/11 ans! 
C'etait lors du court sur la transduction et du magnétisme des bandes... Pour nous montrer les limites du numerique en 48khz... Bref.
De toute façon on est d'accord, + la bande passante est étendue, mieux c'est pour de monitor de studio.
Vient tjrs dans la balance le rapport cout/technologie qui entre dans la construction.
A+
Christophe.
PS: du coup je sais pas si je vais t'envoyer des fichiers
Je vois que 8Khz donne 24Khz... Et en dent de scie moi je voulais dire en triangle je crois...
Bref, je suis pas fou pour cette étude
C'etait lors du court sur la transduction et du magnétisme des bandes... Pour nous montrer les limites du numerique en 48khz... Bref.
De toute façon on est d'accord, + la bande passante est étendue, mieux c'est pour de monitor de studio.
Vient tjrs dans la balance le rapport cout/technologie qui entre dans la construction.
A+
Christophe.
PS: du coup je sais pas si je vais t'envoyer des fichiers
-
Joffrey
Euh.. juste comme ca, pour en revenir a la question première... Alexis, au CFPTS, on nous a aussi dit que les micros shoeps-like (qui montent aussi jusqu'a 30 KHz) etaient utiles car beaucoup d'instruments produisent des sons au-dela des 20 KHz, or, ca produit des battements avec les fréquences inférieures, et donc des fréquences audibles...
non?
non?
Dans cette hypothèse oui, mais dans le cas où ces "battements" ne sont pas produits dans le domaine acoustique, alors les interférences peuvent avoir des conséquences dans le domaine audible. de plus, le fait de monter plus haut n'est pas sans conséquence sur la capacité à intégrer des transitoires plus rapides plus proche du "signal carré".manu_n a écrit :En même temps si les battements sont produits dans le domaine acoustique à des fréquences audibles, il n'est pas nécessaire que la capsule monte jusqu'à 30 kHz pour y être sensible ...
(avec tout le respect du aux Schoeps)

