Elevateur de tension +48V pour alim phantom sur pile/accus

Le coin des bricolos, pour parler électronique, électricité, et autres montage de meubles.
pbdesign

Re: Préamp micro THAT

Message non lu par pbdesign »

Bonjour,
une question alors : comment obtenir du 48v à partir de piles 9v ou 7,2v ?
En faisant un "doubleur,tripleur,quadrupleur etc.... de tension suivant vos besoins, Sinon il y a des convertisseurs DC/DC mais je ne sais pas si cela existe avec sortie 48V (à voir dans un catalogue de fournisseur en composants électronique).

A+
Avatar de l’utilisateur
Alexis
L'équipe SDO
L'équipe SDO
Messages : 3118
Inscription : 08 janv. 2006, 02:49
Localisation : Corcoué sur logne

Re: Préamp micro THAT

Message non lu par Alexis »

En faisant un "doubleur,tripleur,quadrupleur etc.... de tension suivant vos besoins, Sinon il y a des convertisseurs DC/DC mais je ne sais pas si cela existe avec sortie 48V (à voir dans un catalogue de fournisseur en composants électronique).
Oui ... je suis également sur ce problème, avec mon preamp... j'ai réussi à utiliser des LT1073 pour passer mon alim de 2x 3 volts à 2x15volts afin d'avoir un bon niveau d'entrée/sortie, maintenant.. je compte utiliser ce même c.i. pour élever du 1,5volts en 48volts ! (toujours sur le merveilleux site Sonelec-musique On y trouve une version avec porte NAND (4049) que j'ai pas réussi à faire fonctionner (bouh!!) et surtout la version avec LT1073 qui coute chère, mais évite pas mal de problème, nécessite peu de composants externes, et peut fonctionner avec une alimentation très basse)..
Si tu a des schémas d'élévateurs, je suis en pleins dedans et je suis prenneur ! je comprends qu'a moitié ce que je fais, et en DC/DC -> 48V j'ai pas trouvé beaucoup de schémas tout faits ...
A bientot !
__________TO9, GBF, Platine Teppaz, HR624, HD25, Live 8, SoundForge9, micros, oreilles, bouche, bouchons d'oreille, femme, fille, extincteur...
Tiens, c'est marrant, vous arrivez à lire aussi petit que ça ? Ouai... tricheur, c'est le zoom, la loupe, le copier-coller, ou le grand écran je sais pas...
pbdesign

Message non lu par pbdesign »

Bonjour,

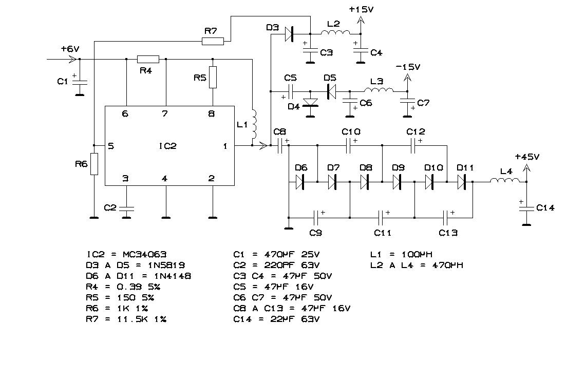
J'ai bossé sur l'alim fantôme 48V, c'est un schéma théorique qui fonctionne sur simulateur mais attention je pense que les filtrages finaux doivent être améliorés pour des applications audio
Pour ma part dans le developpement de mon préamp portable l'alim 48V n'est pas au programme tout de suite (je n'ai que des micros SCHOEPS 12V) donc je ne vais pas essayer tout de suite ce montage alors si il y a des volontaires.
Pièces jointes
alim + fant 48v.JPG
(72.3 Kio) Téléchargé 429 fois
Avatar de l’utilisateur
Alexis
L'équipe SDO
L'équipe SDO
Messages : 3118
Inscription : 08 janv. 2006, 02:49
Localisation : Corcoué sur logne

Message non lu par Alexis »

SAlut ! BOn ... moi ça m'interesse... ;)
Je vais jeter les deux yeux dans ton schéma dans les jours à venir, mais pour l'instant je remarque deux choses... C'est pas trop gros de mettre 3 self 470µH pour un montage "portable" ? ça ne risque pas d'être trop encombrant ? Sinon, pour les condensateurs C8 à C13, 16 volts c'est pas un peu juste ?
Sinon, je ne connaissais pas le MC34069 .. je regarde le datasheet ;) Merci en tout cas ! ça a l'aire sympa, dans l'idée, de pouvoir tirer les +15 -15 et +48 depuis le même générateur ! par contre.. c'est pas du +48 mais du +45 à ce que je vois, ça risque pas de faire léger sachant que c'est généralement suivi de deux résistances 6,8k et d'autres côté micro, ce qui risque de faire chuter encore plus la tension d'alim si la consommation est élevée... je crois savoir que certains micros n'aiment pas trop être sous-alimentés ...
En tout cas merci encore, de faire avancer le schmilblick !! ;)

Et.. sinon, j'ai presque envie de scinder le sujet en deux, alim +48v et preamp à That ... ? qu'en pensez vous, ce serait peut être plus claire !
__________TO9, GBF, Platine Teppaz, HR624, HD25, Live 8, SoundForge9, micros, oreilles, bouche, bouchons d'oreille, femme, fille, extincteur...
Tiens, c'est marrant, vous arrivez à lire aussi petit que ça ? Ouai... tricheur, c'est le zoom, la loupe, le copier-coller, ou le grand écran je sais pas...
pbdesign

Message non lu par pbdesign »

Bonjour,
les selfs miniatures ne sont pas plus grosses que 1 condensateur (470µH = 10.5x14mm), pour les condensateurs C8 à C13 pas de problème car il y a moins de 2V de différence de potentiel à leurs bornes et l'alim fantôme en 45V doit suffire largement même pour un Neuman mais on peut changer les valeurs de quelques volts.
Pour le tonçonnage du sujet pas de problème .

Bon courage
A+
Avatar de l’utilisateur
Alexis
L'équipe SDO
L'équipe SDO
Messages : 3118
Inscription : 08 janv. 2006, 02:49
Localisation : Corcoué sur logne

Message non lu par Alexis »

pour les condensateurs C8 à C13 pas de problème car il y a moins de 2V de différence de potentiel à leurs bornes
Je ne comprends pas .. pourtant il y a bien 3 condensateurs ern série entre la masse et la sortie de l'élévateur de tension à condensateur/diode ?
C9, C11, C13, se partagent donc les 48votls ... 48/3= 16V ... soit tout juste la tension de claquage, et sachant que c'est un circuit oscillant, heu ... je sais pas, perso j'aurais pris une marge, bien qu'avec des 25 ou 63V c'est plus la même taille...
Et pour les selfs, je crois qu'il faut vraiment que je change de fournisseur alors ;)
__________TO9, GBF, Platine Teppaz, HR624, HD25, Live 8, SoundForge9, micros, oreilles, bouche, bouchons d'oreille, femme, fille, extincteur...
Tiens, c'est marrant, vous arrivez à lire aussi petit que ça ? Ouai... tricheur, c'est le zoom, la loupe, le copier-coller, ou le grand écran je sais pas...
pbdesign

Message non lu par pbdesign »

Bonjour,

Tu me mets le doute il faut que je vérifie si j'ai pas mis une masse en trop sur le dessin du schéma, je suis en tournage toute la semaine, je regarde cela ce week end.
Attention, je ne dis pas que des conneries, des fois j'en fais aussi.....!!!!
Pour les selfs, j'achète chez Sélectronic.
A+
cghfm
-20 VU
-20 VU
Messages : 16
Inscription : 14 oct. 2007, 09:33
Localisation : Fosses 95
Contact :

Message non lu par cghfm »

pbdesign a écrit :Bonjour,

Tu me mets le doute il faut que je vérifie si j'ai pas mis une masse en trop sur le dessin du schéma, A+
Il y a certainement un problème car sur le schéma la diode D6 est courcicuitée. :wink:
Je pense aussi que 16v pour les condensateurs sont trop juste.

Cordialement

Jean
Cercle de Généalogie et d'Histoire de Fosses-Marly
Avatar de l’utilisateur
Alexis
L'équipe SDO
L'équipe SDO
Messages : 3118
Inscription : 08 janv. 2006, 02:49
Localisation : Corcoué sur logne

Message non lu par Alexis »

cghfm a écrit :Il y a certainement un problème car sur le schéma la diode D6 est courcicuitée. :wink:
Ha oui, très juste ! c'est même toute la sortie de l'oscillateur qui est court circuité par la même occasion... on risque pas d'avoir 45V en sortie...
__________TO9, GBF, Platine Teppaz, HR624, HD25, Live 8, SoundForge9, micros, oreilles, bouche, bouchons d'oreille, femme, fille, extincteur...
Tiens, c'est marrant, vous arrivez à lire aussi petit que ça ? Ouai... tricheur, c'est le zoom, la loupe, le copier-coller, ou le grand écran je sais pas...
pbdesign

Message non lu par pbdesign »

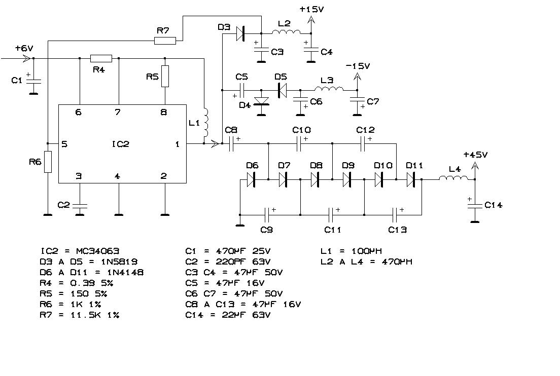
Rebonjour,

J'ai fais la boulette ..... que je corrige avec ce nouveau schéma !
Pièces jointes
alim fant2.JPG
(72.55 Kio) Téléchargé 308 fois
Répondre