Cabler des VU mètres aiguilles???

Multi-effets, et autres périphériques de traitements.
AgentCooper

Cabler des VU mètres aiguilles???

Message non lu par AgentCooper »

Salut tout le monde!

Est ce que quelqu'un sait comment cabler des VU mètres aiguilles stereo, genre SIFAM 32, car ça revient bcp moins cher que des truc tout fait chez CANFORD RTW en LED.
je sais je vais passer pour un vieux de l'anolog mais c'est quand même super utile pour se rendre compte des niveaux électrique de son mix....
(Report SP!!!!)

C'est pour monter en sortie principale de 888.

Si quelqu'un a des idées de montage: resistance, potar, étalonnage,0.775....
Je le remercie d'avance!!!

++
Avatar de l’utilisateur
Dorian
Fondateur
Fondateur
Messages : 14363
Inscription : 17 juin 2003, 18:21
Localisation : Clamart
Contact :

Re: Cabler des VU mètres aiguilles???

Message non lu par Dorian »

Si tu veux je demande jeudi au responsable de la maintenance d'un studio ou je bosse, qui vient de réaliser un magnifique bandeau de 6 VU pour du multicanal... Composants achetés à RadioSpare ( http://www.radiospares.fr ).

Il te faudrait quoi, un schéma structurel, un typon? Je crois que je vais lui demander les plans, carrément :) . Son boitier dispose en plus de switchs 0/-4dBu, d'un calibrage interne, et d'un switch d'écoute (small/big).

Si t'as des questions que je pourrais lui poser, hésite pas.

Bye.

PS: au fait, bienvenue 8) .
AgentCooper

Re: Cabler des VU mètres aiguilles???

Message non lu par AgentCooper »

Merci ton aide Dorian car je commençai à désespérer de voir des VU mètres dans mon stud.

je pense qu'un shéma avec les composants utilisés et le cablage qui corresspond serai idéal.
De plus la semaine prochaine j'ai la tête dans les goulottes!, je refai toute la config.....

Je te remercie d'avance si tu peux me communiquer ça.

A++ Coop.
SSL

Re: Cabler des VU mètres aiguilles???

Message non lu par SSL »

Dorian a écrit :Si tu veux je demande jeudi au responsable de la maintenance...

mais, mais, mais...mais on est jeudi ! J-E-U-D-I !

Oh, joie !

PS : si possible, j'aurais aussi des vues sur tes VUs ; vu ? :wink:
Avatar de l’utilisateur
Dorian
Fondateur
Fondateur
Messages : 14363
Inscription : 17 juin 2003, 18:21
Localisation : Clamart
Contact :

Message non lu par Dorian »

Vu ;) .

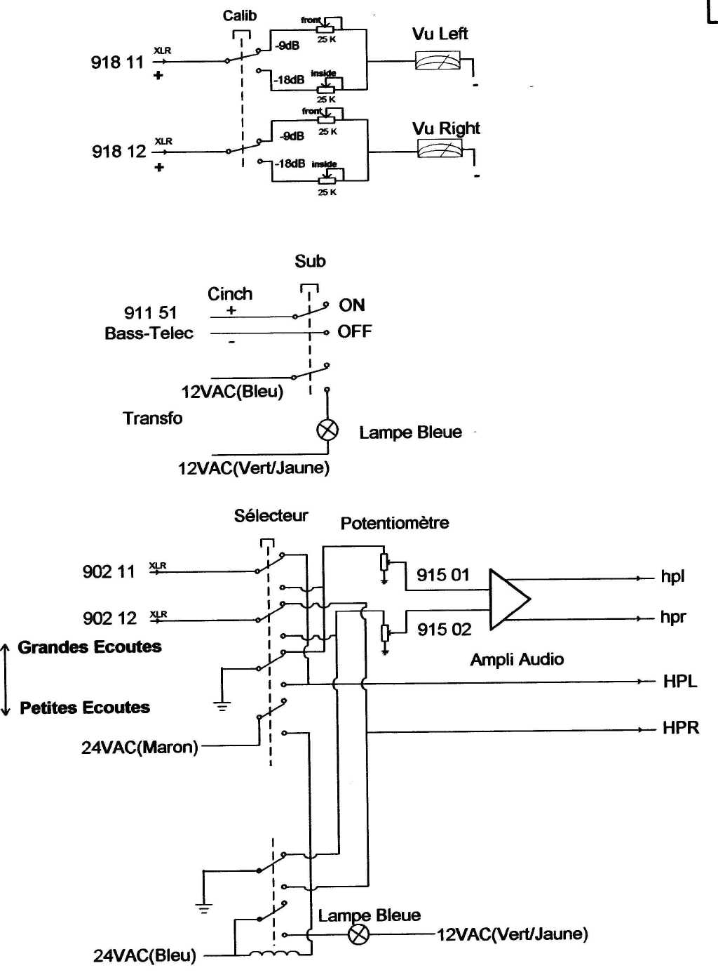
Bon alors renseignements pris, c'est basé sur un kit d'ampli Velleman (Ref: K2637).

Voici le schéma structurel de l'adaptation pour un studio de mix stéréo avec: switch petite/grande écoute, switch caisson basse on/off, et switch -9/-18 pour le niveau de ref). Merci à Jean-Luc Monnot pour ces infos.

Dites moi si ça vous est utile...

Bye.

PS: désolé pour la qualité des scans, c'est pas mon truc ;) .
Pièces jointes
vu_page_7.jpg
(118.97 Kio) Téléchargé 42 fois
vu_page_6.jpg
(124.47 Kio) Téléchargé 44 fois
vu_page_5.jpg
(118.34 Kio) Téléchargé 39 fois
vu_page_4.jpg
(153.78 Kio) Téléchargé 39 fois
vu_page_3.jpg
(199.1 Kio) Téléchargé 41 fois
vu_page_2.jpg
(111.22 Kio) Téléchargé 48 fois
vu_page_1.jpg
(72.13 Kio) Téléchargé 70 fois
SSL

Vu en kit

Message non lu par SSL »

Yop !

mais c'est un kit, ya donc pas de typon...

mais c'est très gentil !

http://www.velleman.fr/Downloads/0/Manual_K2637.pdf
"Ici un Velleman-Kit type K2637, acheté chez un détaillant en électronique pour 15 € environ"
100 balles donc, d'aprrès le monsieur...

http://www.ac-amiens.fr/pedagogie/spc/p ... UITARE.htm
Répondre